RETURN
The James Millen Society
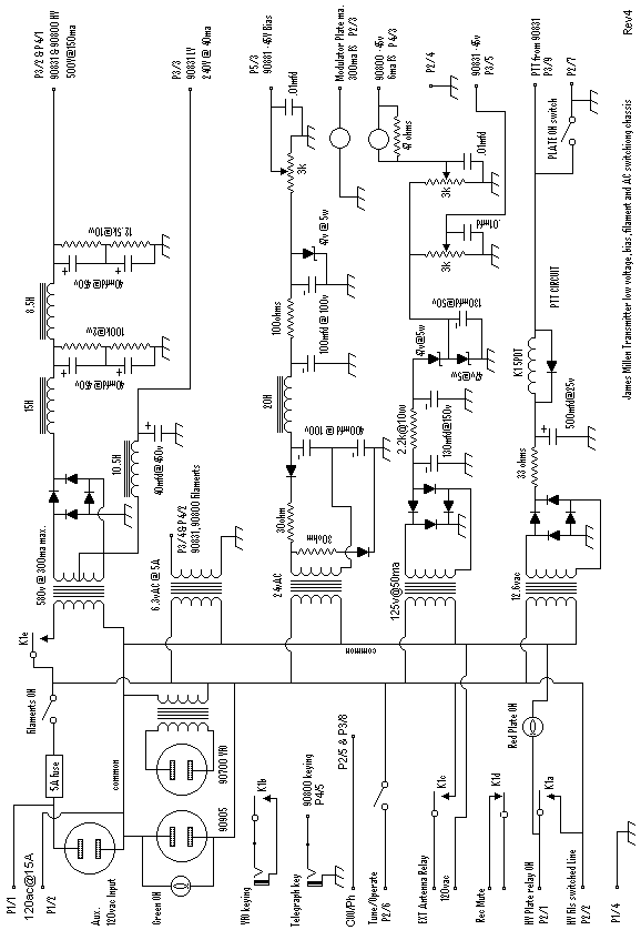
LV Supply
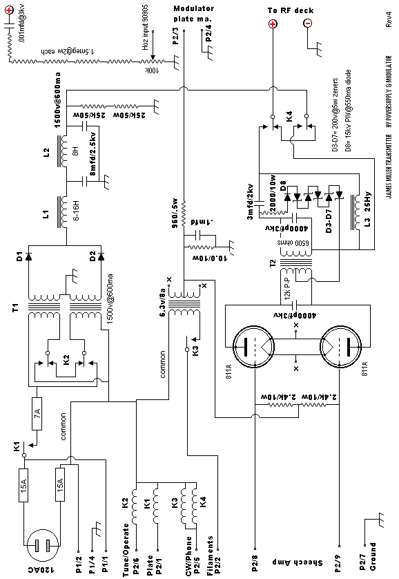
HV Supply and Modulator
RETURN
-
TOP OF PAGE