|
by Robert
Roehrig, K9EUI
Only
not-for-profit personnal use is authorized for
any hardcopy printouts of this page.
Information content presented here is the
intellectual property of Mr. Robert Roehrig
and The James Millen Society is not
responsibility for accuracy of content.
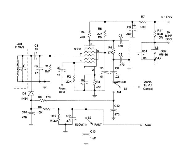
Most any vintage
receiver that is used for CW/SSB and the
digital modes can be improved with the
addition of a product detector. This provides
undistorted audio without detector overload.
The product detector keeps the BFO signal out
of the AGC detector so the AGC can be left
operative and a side benefit is that the S
meter will function as it should. The RF gain
can still be reduced manually if desired
although it is seldom necessary.
In the case of the HRO
"senior" receivers, minimal mods are done to
the receiver itself, making restoration to the
original circuit easily possible at a later
time if so desired.
In addition to adding
the product detector, I also added voltage
regulation to the HF oscillator stage. The BFO
itself is pretty immune to voltage variations
so it was left as is.
For the product
detector, I used a 6BE6 which is socket
mounted on a L bracket under the chassis. The
OB2 is similarly mounted. Only the secondary
leads of the last IF-can need to be
reconnected and the BFO ON/OFF switch is
rewired to select the appropriate detector
output being fed to the volume control. I
recommend using miniature coaxial cable, such
as RG-174, for the connections to S1 to avoid
hum problems.

If you are fortunate
enough to obtain one of the Vector 7 pin
sockets for the 6BE6, the components can be
mounted directly on that socket assembly,
otherwise you can use terminal strips or a
small PC board. The AM/AGC detector circuit
should be mounted on a separate terminal strip
or PC board mounted close to the IF-can.
After installation, the
BFO is checked to determine if the frequency
needs to be readjusted, and the last IF-can
should be realigned.
S2 is the original
meter ON/OFF switch. When in the AM mode, the
AGC should be switched to the FAST position.
If desired, a 6SA7 can
be used in place of the 6BE6 using the same
component values.
Using the
product detector in other receivers
I have successfully
used this same circuit in several other
receivers types including a Hammarlund
SP-600, a Hallicrafters SX-28A, and a
surplus BC-348-Q. Critical to adapting this
circuit to other receivers is the IF signal
level. If overload occurs, you must increase
the value of C2, which acts as a voltage
divider with C1. The BFO injection level
does not seem to be quite so critical and I
have had no problems there.
January 15, 1996
|